Please note, the site is in maintenance mode with limited functionality until November 17. 5pm EST.
     

   Welding Procedure Specification, Welding Procedure Software, Welding Procedure Services
 
  Contact Us

UserID:
Password:

Forgot your password?
 

Welding Procedures Main Menu

Home
Welding Procedures Divider

How to Order
Price
Welding Procedures Divider

 
Welding Procedures Divider
Welding Procedures Divider

Frequently Asked
Questions

 

Sketch Selection

ONLY AWS D1.3 Sketches are available in DEMO

AWS D1.3 (Steel Sheets)

Prequalified weld joints, as well as arc spot, arc plug and arc seam Sketches

Please select sketch from the list below, then click here:

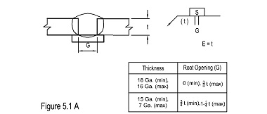
D13-C-FIG51A

Go to top of the page

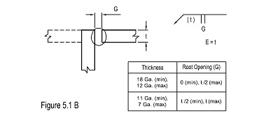
D13-C-FIG51B

Go to top of the page

D13-F-FIG52A

Go to top of the page

D13-F-FIG52B

Go to top of the page

D13-F-FIG52C

Go to top of the page

D13-P-FIG53A

Go to top of the page

D13-P-FIG53B

Go to top of the page

D13-P-FIG53C

Go to top of the page

D13-P-FIG53D

Go to top of the page

D13-ARC-PLUG-A

Go to top of the page

D13-ARC-PLUG-B

Go to top of the page

D13-ARC-SPOT-A

Go to top of the page

D13-ARC-SPOT-B

Go to top of the page

D13-ARC-SEAM

Go to top of the page

 

 

 

 

 

WPSAmerica - 2005 (c)